前沿拓展:
好久没用车了。最近开车带孙子到江边玩,车子启动后,开空调无冷风,这才发现空调有问题。调大风量也没风,连热风都没有。但开车途中偶尔会有几十秒钟的冷风出来,说明空调和风机可能没问题,估计是鼓风机控制电路或接插头接触不良。
晚上回家,到网上检索“吉利远景空调问题”,发现有几段很有用的信息。摘录如下:
-----------------------------------------------------------------=
(1)空调前三档都不出风,只有四档出风。这是典型的鼓风机电阻坏了所致,给鼓风机加入不同阻值的电阻调节其电流,调节风速。如果电阻损坏,直接就不通电了,因此鼓风机也不会转。为什么四档会转呢?因为四档是直接档,不经过鼓风机电阻,所以电阻坏了也不受影响。
(2)昨天开空调时发现风机不转。本人就对空调系统进行自检,显示00,说明空调系统正常,试手动调风速,调到最大时有风吹出,说明功率模块出故障。功率模块安装在副驾驶座前的杂物箱后面,鼓风机下方。拆开后,经过检查发现右下角的一个贴片电阻(标号201,阻值为200欧)阻值为无穷大,由于找不到贴片电阻,我用一个270欧的炭模电阻代换后,故障排除。
(3)刚刚发现空调风机一会转一会停,出风口有风,时大时小,或有时自停。回家后,将电瓶负极脱开数分钟,让ECU掉电复位,再装上电池负极试机,除最高档风机能转外,其它档均无反应!风机调速模块有故障。该文还给出了维修各步骤的照片如下:
(A)在副驾杂物箱底下,白色插头就是风机调速模块:-(图1-2)
(B)拆下并撬开调速模块,用2个100欧电阻串联替换开路损坏的R1电阻(是200欧贴片电阻)就修复了。(图3-4-5)
-----------------------------------------------------------------------------=
根据上述信息,我得知:
(1)汽车除了车头有个大散热风扇外,在副驾驶座的杂物箱后面还有个鼓风机。
(2)鼓风机由调速模块(也称“调速模块”)来以调节空调出风量。
(3)调速模块有问题时,会呈现低速档无风,最高档有风的现象。
我据此去测试一下我的汽车空调,发现打开汽车电门开关后,即便没有启动汽车,也可以调整风速。但没到1分钟就调整失灵了。此时若将风量调到最高档,又会正常出风,证实我的车的故障应该也是上面所说的“调速模块有问题”。
次日,我先将副驾驶座的杂物箱门卸下。看到鼓风机和空调滤网架。(下图6-7)
将左上图最上部的塑料格抽出,就可以看到十分肮脏的空调滤芯。上面除了树叶和灰尘,竟然还有一个小蜗牛壳。以前曾经叫人帮更换过空调滤芯,没想到现在又这么脏了!
在鼓风机底下前后左右摸索遍了,都找不到图1那样的调速器。我车的鼓风机底下只有下图这样一个玩意,难道是调速模块?我就先把它拆下来吧!(图8-9)
看外形和电缆,都和图1的调速模块差距太大。难道我的调速模块与他人不同? (下图10-11)
我再上网检索一下,查模块上的参数:M7.9.7 JL4G18/ MR7180-3600060,发现它竟然是行车电脑(0261201380/MR7180-3600060 MR4G18Q,吉利远景/金鹰/金刚电脑板,价格=320-734元),它是整车的控制核心啊!幸亏我没有将它撬开,否则就亏大了。
费了半天功夫,还是找不到调速模块。是否我的车没有调速模块?
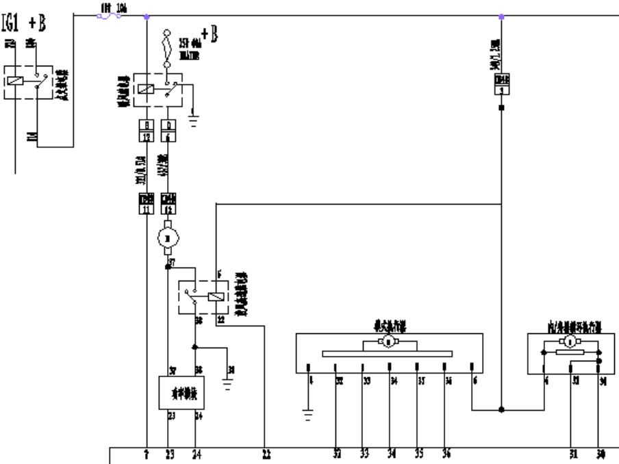
先看保险盒、继电器盒及有关说明资料,得知本车确实有高低速控制继电器2个(下图标号11-12方块)。(图12)
(图13)
再看电路原理图,下图的散热器风扇串接有调速电阻: (图14)
下图从左到右3个继电器分别是:点火继电器,鼓风继电器,鼓风高速继电器以及功率模块(调速模块):(图15)
(图16)
大概明白了鼓风机及调速模块的工作原理后,我尝试从鼓风机电源线的走向来查找调速模块,终于找到了。原来它是位于鼓风机左前侧的位置,在前挡风玻璃出风口右端正下方,就在杂物箱的里面的尽头,要耳朵贴紧控制面板,单手拼命伸长才摸得到。怪不得这么难找了!(图17-18)
拆下调速模块,用万用表检查上面各个元件和接头,都没发现有损坏的迹象。 (图19-20)
上左图中,调速模块的4个插脚从左到右分别是S-R-G-D。
我按上左图调速模块的实物,画出右边对应电路图。为了测试模块功能,我单独给模块接12V电源,用12V灯泡代替鼓风马达。模块接通12V电后,我模仿按键换挡操作:如果将G点接R点,12V灯泡得7.1V电(微亮)。如果将G点接D点,12V灯泡得7.5V电(稍亮)。说明调速模块调档功能正常,但为什么接到车上就不行呢?可能是其功率管(BTS240A 场效应管= n channel mos)有软故障?大电流工作不稳定?
为省事起见,不修理模块了。在拼多多网购“适配吉利帝豪EC7/GS/GL 远景/X6/海景空调调速模块”,选最便宜的是34元。到货后,装上开机,空调风量调节正常了。
这次维修的额外收获是明白了吉利远景通风机工作原理。以前听说不开空调时,打开大风量,是由汽车行进中,从车外灌进来的自然风,汽车本身不为通风耗电,这个理解是错误。现在知道了,不管是否开空调,只要打开车内通风档,都是由鼓风机通风,都是会消耗电力的。如果是热风,汽车不必额外耗电加热风,是利用发动机的热量来加热风。如果是制冷,则须由空调提供冷却风。
这次维修的最大难度是调速模块的拆卸和安装,副驾驶座位会妨碍操作。人须坐门边,单手拿短把螺丝批装拆,十分费力费时。一般人不推荐自己维修!
特此记录以备忘!
20220705
---------------------=------------------------------=
参考资料备忘录:
(1)网上调速模块的资料如下: https://www.renrendoc.com/paper/100244329.html
(2)调速器上的3个貌似贴片三极管的元件,应该是贴片双二极管,在电路里充当NMOS功率管的栅极保护管。
Q1= 24W/77(MMBD1404 SOT23 dual cc Si diode 200V 100mA);
Q2= W12/75(稳压管);
Q3= 5H型号是 MMBD4148(Small Signal Diode 0.2A 100V)。
(3)调速器上的功率管是BTS240A, N通道场效应管(50V,58A):
nmos管是栅极高电平通,低电平断。pmos管是栅极低电平通,高电平断。
==========================================-
拓展知识:
标题:中央空调模块机维修方案及措施(中央空调模块机调试步骤)
地址:http://www.cdaudi4s.com/xiyiji/weixiuzixun/10023.html

