前沿拓展:
本文以美的KFR-26/33GWCBPY(11BPY)型变频空调为例,介绍该系列变频空调保护电路故障分析。
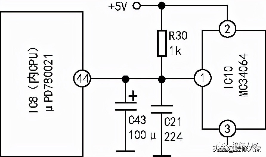
1、微处理(CPU)欠压复位保护电路
该空调内机电路微处理器IC8(UPD780021)44脚为复位信号输入端,外接 IC10(MC34064)等组成的上电复位电路,低电平复位,高电平工作,电路如图所示:
复位集成电路IC10的2脚得到+5v电源时,与其内部电路进行比较,为1脚电压上升到4.2v后,微处理器才能正常工作。若2脚+5v电源低于4v时,其1脚便输出低电平。加至IC8 44脚内部存储程序清零、复位,防止工作紊乱,造成电路元件损坏。复位保护动作会造成微处理器停止工作,由于+5v供电电压低引起的复位保护,往往是+5v电源稳压电路失常引起的,但这种保护故障很少见。外机微处理器IC1(MB89865)27脚为复端,外接复位集成电路 IC2(MC34064)及外围元件与上图基本相同,不再赘述。
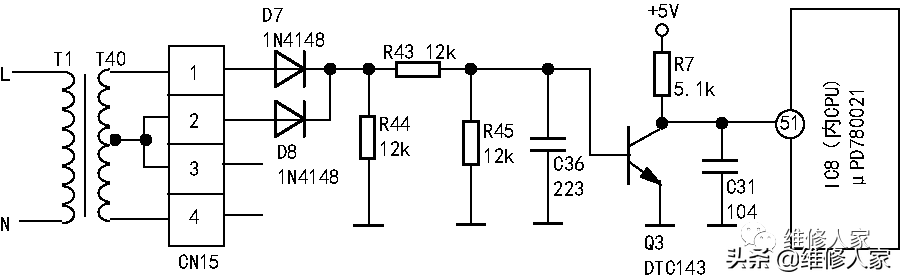
2、市电过零保护电路
电路如下图所示:
由电源变压器T1次级输出两组AC13V电压,经接插件CN15的1、2脚取出,通过D7、D8整流,获100HZ脉动直流电压,再由R43~R45分压、C36高频消噪、Q3放大,加至IC8 51脚,获得周期为100ms(高电平)的过零信号、市电过零信号的主要作用有三:一是检测市电电压和频率是否正常;二是为双向可控硅(包括光耦合器中的光控双向可控硅)提供过零触发信号,保证它们在低功耗状态时导通,防止损坏;三是为内、外机通讯电路提供时基信号。当过零检测信号异常时,可能导致微处理器拒绝工作,屡烧双向可控硅(或可控硅光耦合器)、内风机不转动及外机不工作等。
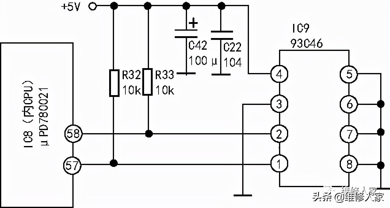
3、存储器数据错误保护
存储器数据错误没有专设保护电路,只显示故障代码,详见下表。
该空调器IC9(39C46)为EEPROM(或写成E2PROM),是一片电可擦除可改写只读程序存储器芯片,通过3、4脚与内机微处理器IC8的58 、59脚相连,由时钟信号(SCL)同步,进行数据(SDA)交换(输入或输出),控制空调风机、压缩机、四通阀、膨胀阀等负载正常工作,有关电路如下图所示。
存储器数据错误保护会造成整机不工作,内机或外机不工作、制冷或制热温度失控、高空压缩机及风机等主要部件工作失常或损坏。当检查存储电路元件正常时,就要更换原厂写好数据的存储器芯片,不能使用其他厂同型号的存储器, 否则会导致空调不工作或工作失常。
拓展知识:
标题:美的空调外机不工作内机正常(美的变频空调内机正常外机不工作)
地址:http://www.cdaudi4s.com/zhongyangkongdiao/weixiuzixun/8266.html

